KOOP NU GOEDKOOP VAN DE BESTE MERKEN

Franke 302270 Eéngreepskraan

Franke 160.0702.660

zwenkbare uitloop | hoge druk | u-uitloop

€ 313 Prijs btw en wettelijke garantie inbegrepen Catalogusprijs: € 568
THUISLEVERING: Momenteel geen voorraad
AFHALING WINKEL: Zie hieronder
AALST op BESTELLING
SINT-NIKLAAS op BESTELLING
MELLE op BESTELLING
OOSTAKKER GENT op BESTELLING
GITS op BESTELLING
WEVELGEM op BESTELLING
OOSTENDE op BESTELLING
BRUGGE op BESTELLING
HASSELT op BESTELLING
BORSBEEK ANTWERPEN op BESTELLING
WEBDEPOT op BESTELLING


In winkelwagen Winkels bekijken

Of betaal € 104,34 + 2 x € 104,33 met 3x


Offerte aanvragen*
* Speciale prijs mogelijk vanaf 3 inbouwtoestellen
  • Betaal met ECOCHEQUES online en in onze winkels
  • Terugname oud toestel bij afhaling of levering
  • 10 000m² STOCK "onmiddellijk beschikbare VOORRAAD"
  • STEEDS NIEUWE TOESTELLEN IN VERPAKKING
Hoe installeer ik een spoelbak / keukenkraan? Bekijk hier ons nieuw Loeters webdepot! Een vraag over dit artikel? Stel ze meteen!


Specificaties

Producentcode 302270
Barcode 7612986338492
Merk Franke
Soort Eéngreepskraan
Uitloop kraan zwenkbare uitloop
Druk hoge druk
Vorm u-uitloop
Kleur chroom
Boorgat eengats
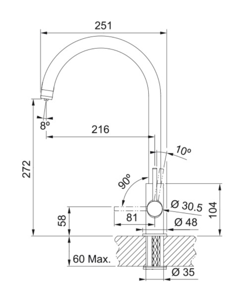
Diepte (buitenmaat toestel) 251 mm
Garantie 5 jaar
Betaal met ecocheques?

Omschrijving

Productinformatie
Uitloop J - uitloop
Kleur Chroom
Materiaal Messing
Materiaal handdoucheslang Metaal

Afmetingen
Diameter kraangat 35 mm
Diameter cartridge 35 mm

Installatie
Bevestigingswijze Schacht
Bevestiging aansluitslangen 3/8"
Lengte watertoevoerslang 500 mm

Productspecificaties
Druk Hoge druk
Uitvoering Zwenkbaar
Bediening Hendel lateraal
Zwaaihoek 360°

Productomschrijving
Merk FRANKE
Productfamilie Smart
Model reeks Lina

Productkenmerken
Waterbesparende bediening Nee
Type filterbeluchter Honeycomb
Multifunctioneel systeem Waterfiltratie

(160.0702.660)


Anderen bekeken ook

Blanco CATRIS-S choom 521476 521476
€ 308
Blanco ééngreepsmengkraan - keuken 526180 526180 526180
€ 323
Blanco eengreepsmengkraan - CATRIS-S Flexo - keuken 525793 525793 525793
€ 299
Franke ééngreepsmengkraan - keuken 115.0627.523 301973 301973
€ 293
© 2026 Elektro Loeters NV - Bel op +32 59/33.16.25 of mail internet@loeters.be - Algemene voorwaarden - Alle prijzen incl. BTW - BE0460.057.637 - Kuipweg 15 Oostende - Sitemap